老师们好,我最近用LM5106最全桥驱动,今天刚回来的芯片,焊上之后通电有输出,而且正常,但是不到10秒,输出波形就没有了,
想请教一下我这个是怎么回事?
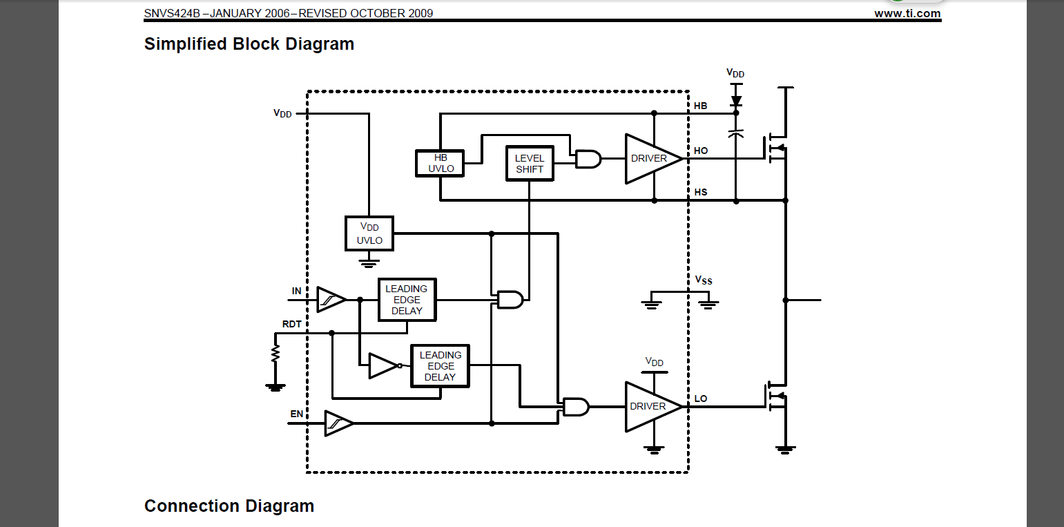
我是按照这个图接的,然后电阻用的100K,自举二极管用的1N4148,电容用的独石电容105的,
我觉得会不会是我的电容小了? 但是我试过470uf的电解电容也没效果。
This thread has been locked.
If you have a related question, please click the "Ask a related question" button in the top right corner. The newly created question will be automatically linked to this question.
老师们好,我最近用LM5106最全桥驱动,今天刚回来的芯片,焊上之后通电有输出,而且正常,但是不到10秒,输出波形就没有了,
想请教一下我这个是怎么回事?
我是按照这个图接的,然后电阻用的100K,自举二极管用的1N4148,电容用的独石电容105的,
我觉得会不会是我的电容小了? 但是我试过470uf的电解电容也没效果。
你好,
电容用104-105之间的就行了,建议将4148换成电流3A以上的肖特基二极管。望提供完整原理图供分析。
建议将上下mos管加上,上管输入20v,Vdd10v。测试ho,lo对地的波形。