This thread has been locked.

If you have a related question, please click the "Ask a related question" button in the top right corner. The newly created question will be automatically linked to this question.

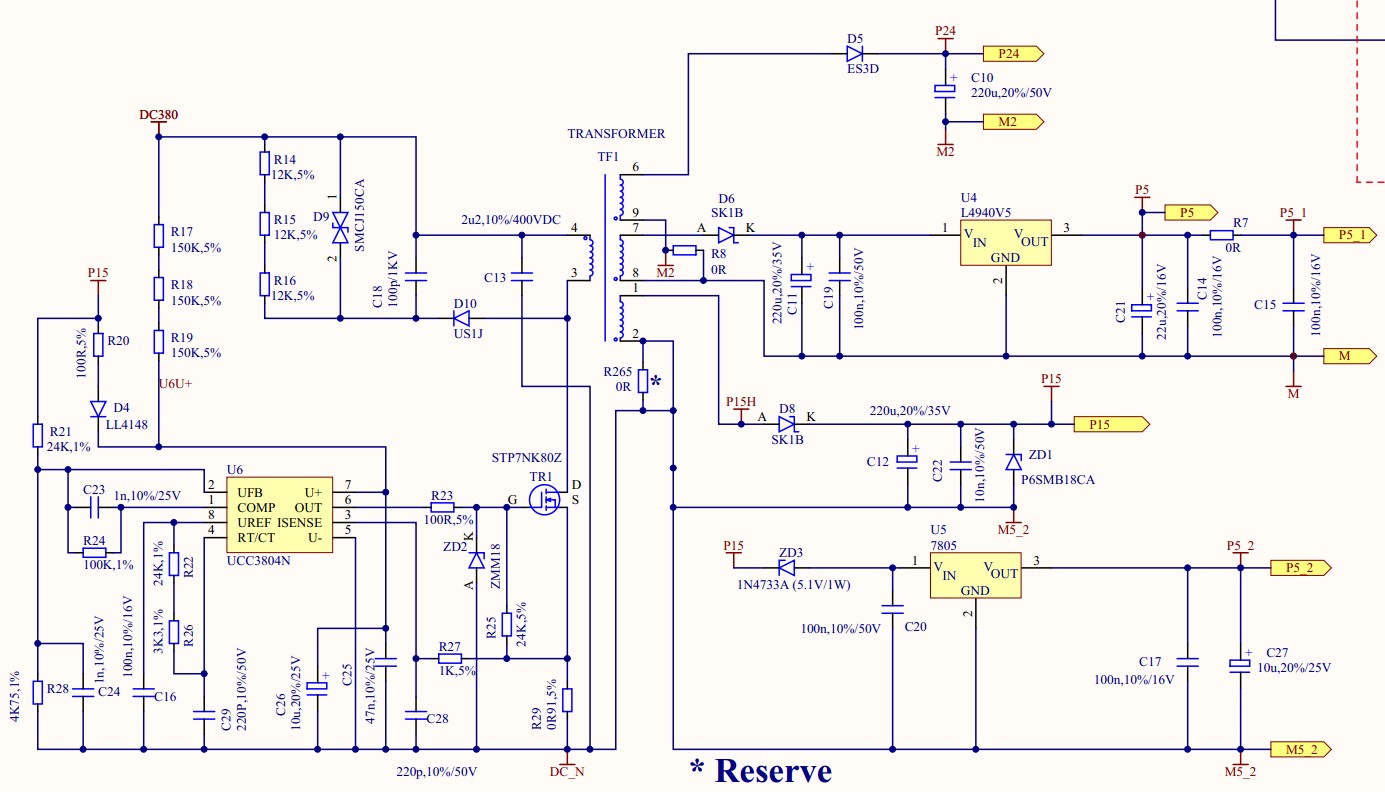
怎么调整UCC3804的输出电压

Other Parts Discussed in Thread: UCC3804

 技术部老大说可以通过调整UCC3804输入端的电阻来调节DC15V输出的大小,可是查看3804的datasheet没看到怎么调整电阻,请问TI工作人员,是否可以呢?调整哪两个或三个的电阻呢?