Other Parts Discussed in Thread: BQ76930
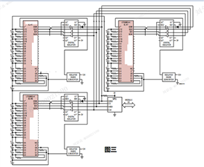
图一是我看到的BQ76930的联级使用方法。我想把BQ76930换成BQ76952,按图2方法是否可以?图3时其他芯片的连接方式,BQ76952是否也可以这样连接,如果把BQ76952布局成菊花链会由什么影响?3个图片的本质区别是什么?


This thread has been locked.
If you have a related question, please click the "Ask a related question" button in the top right corner. The newly created question will be automatically linked to this question.
感谢您对TI产品的关注!为更加有效地解决您的问题,我需要询问更了解这款芯片的TI资深工程师,再为您解答,一旦得到回复会立即回复给您。
可以菊花链式连接 BQ76952,但我们没有任何参考设计来帮助设计过程。我们有一篇技术文章讨论了堆叠这些设备时的设计注意事项。