我有幾點問題
1. 請問BQ7790508的VTB PIN為何無輸出電壓? 我有接上10K NTC!
2. CHG/DSG為何沒有輸出電壓? 有甚麼動作條件限制?
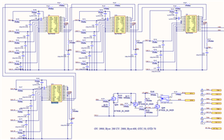
我的電路如下 , 我不需要SC保護, 所以沒有使用電流偵測功能. 我也不需要LD功能, 故沒接!!

This thread has been locked.
If you have a related question, please click the "Ask a related question" button in the top right corner. The newly created question will be automatically linked to this question.
我有幾點問題
1. 請問BQ7790508的VTB PIN為何無輸出電壓? 我有接上10K NTC!
2. CHG/DSG為何沒有輸出電壓? 有甚麼動作條件限制?
我的電路如下 , 我不需要SC保護, 所以沒有使用電流偵測功能. 我也不需要LD功能, 故沒接!!

您好,请参考下面的内容
The thermistor is sampled for temperature measurement as shown in figure 9 of the datasheet. If you are measuring the VTB pin with a meter, it will measure about 0v. If you inspect the signal with an oscilloscope, you should see it pulse high approximately every 120ms.
DSG and CHG are most likely disabled due to a fault. Depending on how you are connecting your cells, there could be a voltage spike/dip during cell attach that is causing the device to go into OV or UV, and is staying in a fault due to the recovery hysteresis threshold. I recommend connecting the cells starting with BAT- and keeping an eye on transients while connecting. Keep in mind that resetting the device will not clear the faults until the fault recovery conditions are met.