This thread has been locked.

If you have a related question, please click the "Ask a related question" button in the top right corner. The newly created question will be automatically linked to this question.

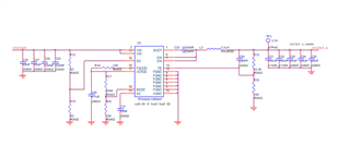
TPS568215: 12V转3.3V一开始输出正常,电流20ma,突然变成0.9V输出异常

Part Number: TPS568215


如下电路图,一开始输出为设计的3.3V,上级接的12V的直流稳压电源,电流为20ma,

使用过程中,3.3V输出突然没有了,变成0.9V