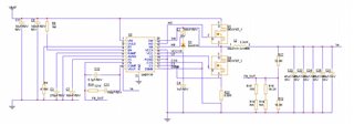
设计是10-25V输入,输出5V,0-10A。

实测发现输入7-8V左右能工作,但用电设备工作时,输出电压会过冲,如下图:

最大的问题是输入电压如果超过10V,空载还正常,稍微挂个电阻输出电压就会异常并且震荡,如下图:

并且测到此时的uvlo出现震荡:

电感用的是2.2uH0850。mos用的6x5,100A。基本参考webench数值,频率450K。
请问这是哪里出问题了?
This thread has been locked.
If you have a related question, please click the "Ask a related question" button in the top right corner. The newly created question will be automatically linked to this question.
Hi
从你描述看很可能是layout导致的,建议你严格按照datasheet layout要求来做(可以参照datasheet说明,确认一下你的layout)。