This thread has been locked.

If you have a related question, please click the "Ask a related question" button in the top right corner. The newly created question will be automatically linked to this question.

TPS23881: TPS23881芯片POE输出P端磁珠插拔接口时烧毁

Part Number: TPS23881

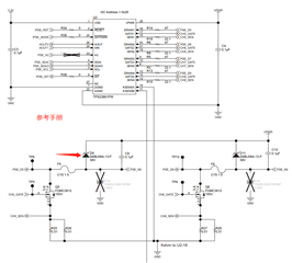
使用TPS23881为PSE供电芯片,设计图如上;在插拔POE口的时候偶尔会造成上图所示的磁珠烧毁,经与参考手册对比,只有TVS管接法不一致;

参考手册只在P端和N端接TVS管,而我们设计的电路中用了二极管阵,在N端和地之间也接了TVS管;

如此接的话在MOS管打开瞬间是否会有大电压或大电流冲击导致磁珠烧毁(N端接的保险丝从未损坏过)