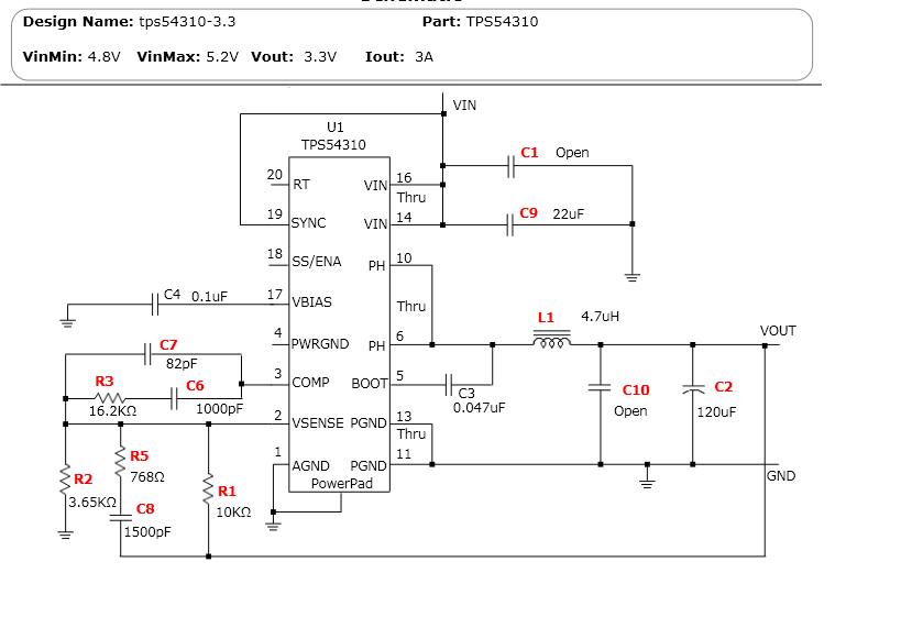
通过使用TPS54310芯片 实现 5V电压到3.3V的转换,应该注意些什么?
电源设计软件switcherpro给出的 器件 有些不太好购买,现在我了解到TPS54310的输出电容的ESR要小,比如为0.04ohm@100kHz;
其他的还有什么 注意事项 ?
This thread has been locked.
If you have a related question, please click the "Ask a related question" button in the top right corner. The newly created question will be automatically linked to this question.
SWITCHERPRO是比较旧的仿真工具,推荐使用WEBENCH http://www.ti.com/product/tps54310 网页右边
注意事项:输入,输入电容的选择,输出电感,补偿参数的设计,布线(打过孔)可以参考数据手册中的第9页PCB LAYOUT
另外,在设计时可以参考另外一篇应用文档SLVA109:http://www.ti.com/lit/an/slva109/slva109.pdf
根据你的应用条件,其实也可以选择用TPS62090这款芯片,不需要外部补偿电路,用起来更方便。
TPS62090 封装不太好弄吧,有没有SOP封装的 5V到 3.3V?而且 不用补偿的?
为什么你一定要SOP封闭的呢,是为了方便焊接吗?
TPS62090是内置补偿电路,因此不需要特别补偿,用起来更方便。