This thread has been locked.

If you have a related question, please click the "Ask a related question" button in the top right corner. The newly created question will be automatically linked to this question.

LM5010为什么带不起负载

Other Parts Discussed in Thread: LM5010

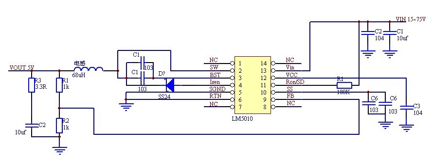
您好,麻烦我看看这电路有何问题。为什么带不起负载。不带载时有5V输出,带载就只有2.5V左右。(负载只需160MA左右的电流)后来我用LM5010的计算机算了一遍,把电感改到220uH还是不行。  另外,我是用万能板搭成电路,没有布PCB上,这会不会有关系呢?

  • 图中的R3是做什么用的 ?

    还有你的电路图中的参数都是实际参数吗 ?

    LM5010采用 COT控制模式,依靠输出电容的ESR帮助环路稳定,这个ESR是寄生参数,不是你自己加的。

  • Hi,

    建议你的电路参照我们的EVM进行设计评估,见下图。

    有条件的话最好layput一块PCB板,DC/DC对电路元件布局及布线要求还是比较高的,具体的你可以参考我们datasheet和EVM用户手册中的说明。

    http://www.ti.com/lit/ug/snva137a/snva137a.pdf

    http://www.ti.com/lit/ds/symlink/lm5010.pdf

    Thanks.

  • 图中R3是存在的,要求是0.636Ohms,但我没这么小,只能找稍唯大一点的。另外,0.022uF的电容一时也没有,所以我并了两个103的电容。还有一点,就是我测过SW端的波形,为何只是20KHz左右?加上负载的时候也就40~50KHZ,而且完全带不起负载。Ron我已经改为100Kohms,电感68uH,100uH,220uH都试过。请问是不是我的线路存在问题呢?

  • 好的``哪我试一下布在PCB上。另外,我看到上图C1、C2都是2.2uF吗?C4为何不是0.1uF,我看例程上是这样的。另外,我有一个地方不太明白,D1的作用是什么?我用一般的SS28(耐压80V ,电流2A)替代行吗?

  • YE Mark 说:

    好的``哪我试一下布在PCB上。另外,我看到上图C1、C2都是2.2uF吗?C4为何不是0.1uF,我看例程上是这样的。另外,我有一个地方不太明白,D1的作用是什么?我用一般的SS28(耐压80V ,电流2A)替代行吗?

    D1的作用是在上管关断时,给电感电流续流。

    你的最大输入电压是多少?如果输入电压小于40V,SS28的余量是足够的。

  • YE Mark 说:

    图中R3是存在的,要求是0.636Ohms,但我没这么小,只能找稍唯大一点的。另外,0.022uF的电容一时也没有,所以我并了两个103的电容。还有一点,就是我测过SW端的波形,为何只是20KHz左右?加上负载的时候也就40~50KHZ,而且完全带不起负载。Ron我已经改为100Kohms,电感68uH,100uH,220uH都试过。请问是不是我的线路存在问题呢?

    你测试SW的波形时,是在什么样的负载下测试的?

    LM5010带DCM模式,轻载时,频率肯定比CCM的时候低,方便上传波形来看看是否有问题吗?