Other Parts Discussed in Thread: TPS62173
This thread has been locked.
If you have a related question, please click the "Ask a related question" button in the top right corner. The newly created question will be automatically linked to this question.
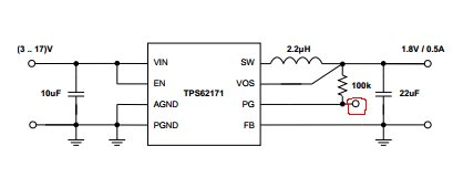
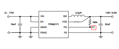
你好,PG是power good指示信号,如果电源输出正常该PIN为HIGH状态,所以需要通过电阻上拉,一般接后级的Enable信号或者MCU判断电源正常与否。
Hi
PG是Output power good输出电压, 当你后面的受电芯片不需要电压侦测功能的时候,可以直接悬空PG脚。
如果后面的受电芯片需要电压侦测功能, 当输出电压偏低时,直接让后面的芯片停止工作,可以接RESET, Powerdown等引脚(具体可以问一下你后面处理器芯片的工程师)。
PG, 这个引脚是用作输出电压的指示(指示Vout是否达到设定值),内部是open drain的结构,
一般用作上电时序,可以接到其他电源的EN引脚,如果不需要上电时序就不用接了。