四节锂电池(14.8V),在插拔充电时会损坏同整MOS, 这是为什么?

This thread has been locked.
If you have a related question, please click the "Ask a related question" button in the top right corner. The newly created question will be automatically linked to this question.
您好,已经在E2E 英文论坛发帖,请继续关注。
e2e.ti.com/.../bq24610-bq24610-battery-plug-in-and-out-bq24610-hidrv-mos-lodrv-mos-damage
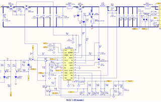
您好 ,It is likely the damage is caused by the inrush current and voltage spike when performing the hot plug.
Can you provide a capture of VBAT1 and PH (on the same capture) when battery is plugged in?
It seems like you are not using the /BATDRV and there is no system load based on the schematic, is that correct?