This thread has been locked.

If you have a related question, please click the "Ask a related question" button in the top right corner. The newly created question will be automatically linked to this question.

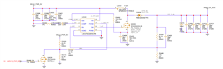
LM3478Q-Q1: 原理图设计review

Part Number: LM3478Q-Q1
Other Parts Discussed in Thread: LM3478