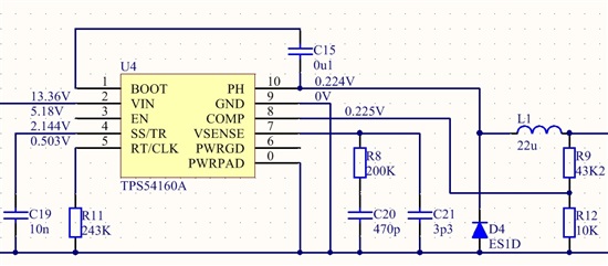
用于GSM模块供电。GSM模块2Ap-p的电流平均电流在300mA左右。要求能够耐受12V汽车系统的loaddump电压。目前拟采用tps54160A,但是封装对焊接要求较高,最好有SO8封装的IC,内置mos。
This thread has been locked.
If you have a related question, please click the "Ask a related question" button in the top right corner. The newly created question will be automatically linked to this question.
Hi
如果你的loaddump电压是会超过45V的话,选择8SO封装的可以是TPS54360, 如果能控制其实小于42V,可以选择40V版本的TPS54340, 这个系类的2个电压版本其他芯片都是10Pin脚封装的。
汽车ISO7637标准规定了5种波形,其中第5#危害最大-也就是抛负载,12v汽车抛负载时上冲电压会达到65-87v,持续时间40-400ms
考虑到成本通常汽车类产品会在前端添加TVS,目前42v耐压的DC/DC配合5KV的TVS管(如Littelfuse 5KP22A)比较常见.
另外DC/DC的静态电流和开关频率也是很多客户考虑的因素,目前我们主推的TPS54340由于其Iq=146uA,Fsw可调至2MHz避开AM调幅收音干扰
HSOIC8封装等特性,被很多客户认可,您可以参考一下.