Other Parts Discussed in Thread: EV2400
BQ40Z50-R2芯片在什么情况下会出现芯片死机的情况,无输出也连接不上通讯,需要每节电芯重新掉电后再重新上电就i可以了,为什么会出现这种情况?应该怎么避免?请解答,谢谢!
This thread has been locked.
If you have a related question, please click the "Ask a related question" button in the top right corner. The newly created question will be automatically linked to this question.
BQ40Z50-R2芯片在什么情况下会出现芯片死机的情况,无输出也连接不上通讯,需要每节电芯重新掉电后再重新上电就i可以了,为什么会出现这种情况?应该怎么避免?请解答,谢谢!
您好,方便抓一下TS1的波形吗?
If PBI is high the gauge is most likely active, it may just not be responding to commands. Can you share a scope capture of the TS1 pin, if it is pulsing at approximately 250ms this means the firmware is executing but the communication is not responding. If it is not pulsing then firmware is not executing.
您好,请参考下面答复
They tried communicating on both address 0x17 and 0x16 with read word 0x0d and there is no ACK?
Design team is not sure of root cause from the description given. If PMID is powered then the gauge is not in shutdown, but TS pin not pulsing indicates FW is not running. Only other options is it is in ROM mode or the firmware was corrupted, which doesn't seem to be the case if a POR fixes the issue.
您好,I can't see much detail but I don't see any large issues. It sounds like when being woken up the chip had an ESD event. Just sitting for 2 months should have no impact on the gauge, that's why it should be something else causing this behavior.
您好,请参考下面内容
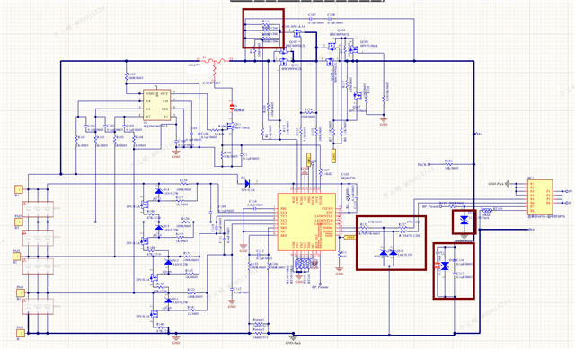
TVS diodes close to the point of contact, shortening and preventing any trace overlap of sensitive lines (like TS inputs to the gauge). Adding small caps to the TS lines near the gauge (10nF) are some of the general guidelines we recommend.
您好,如果没有解决问题,建议您将问题发在E2E英文论坛,https://e2e.ti.com/support/power-management/f/196,将由资深的工程师为您提供帮助。我们的E2E英文社区有TI专家进行回复,并得到全球各地工程师的支持,分享他们的知识和经验。
您好,关于存储温度和湿度请参考下面文档。