This thread has been locked.

If you have a related question, please click the "Ask a related question" button in the top right corner. The newly created question will be automatically linked to this question.

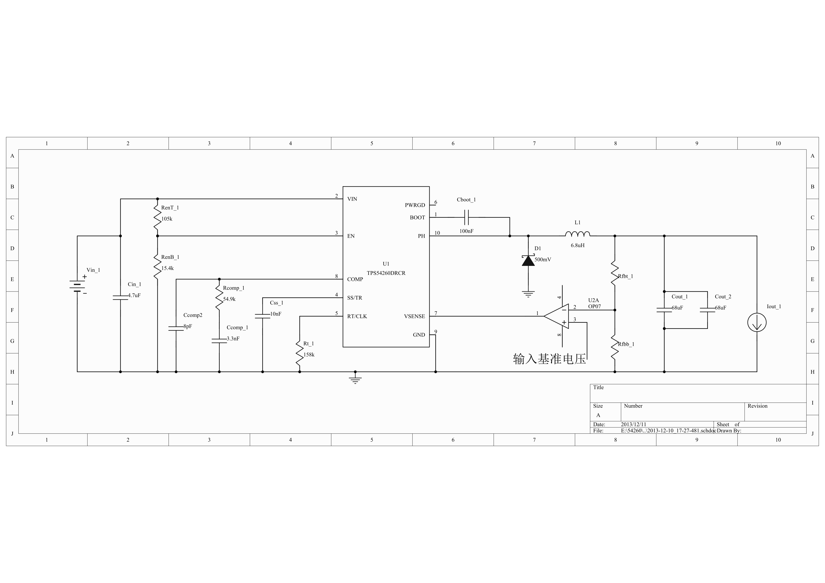
用TPS54260设计用DA输出电压控制输出电压

Other Parts Discussed in Thread: LM2596

根据TI官方给的参考电路改成如上电路,不知道此方案可行不?

看手册能提供2.5A输出电流,我想输出3-40V,2A输出可以吗?看样片也太小了mosp封装,电流大,会不会发热比较大?