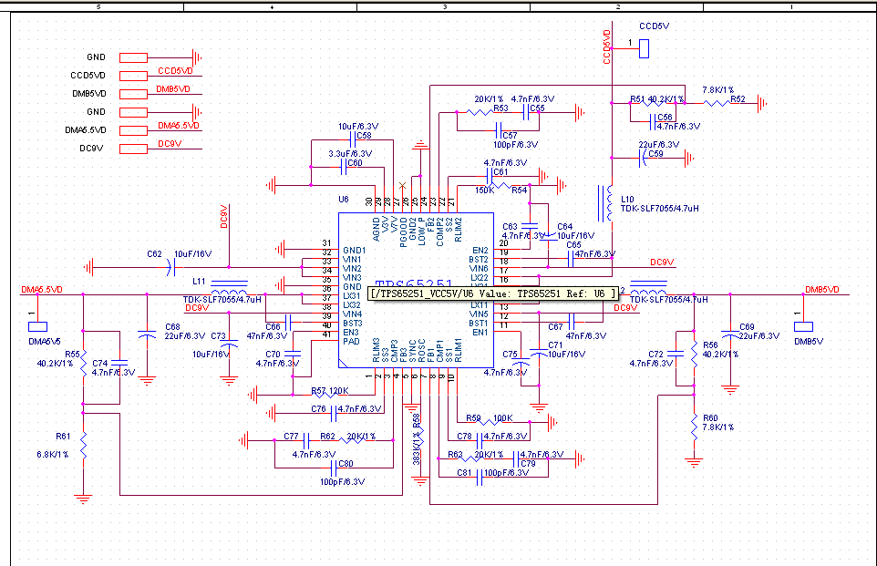
tps65251buck1输出电压为0。tps65251buck1、buck2、buck3输出电压/电压分别是5.5V/1A、5V/1A、5V/1A。在测试电源板的时候,buck2和buck3都置空,buck1输出5.5v/0.2A ,但上电后不久就没电压输出了。tps65251输入电压是9V。也不知道是tps65251本身就有问题,还是因为静电的缘故。之前分析过静电,因为在输入端并联了一个tvs管而且tps65251本身就有过压保护功能,所以静电击穿的可能性就排除了,还有如果是静电击穿的话,干嘛只坏一路呢?所以还请各位大虾帮小弟分析分析,在此谢过!!!下面附带一张原理图截图,供分析!
