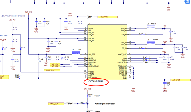
Part Number: LP87524Q1EVM
急!!!!!
请问有没有这个芯片用I2C控制的例程或者资料呢?怎么样烧写到eeprom上面去?
这些参数配置怎么改呢?
This thread has been locked.
If you have a related question, please click the "Ask a related question" button in the top right corner. The newly created question will be automatically linked to this question.
HI
是评估板上通过软件来写入,还是处理器芯片通过接口写入?
TI这边没有提供例程,只需要按照datasheet 提供的接口时序写入即可。
HI
我们这边用的是自己设计的板子,换了这个电源芯片。
请问下评估板直接软件写入跟处理器芯片接口有什么操作实例没有呢?
Hi
TI没有提供例程,其实也就是主要确认接口时序,按照设计目标做寄存器配置即可。