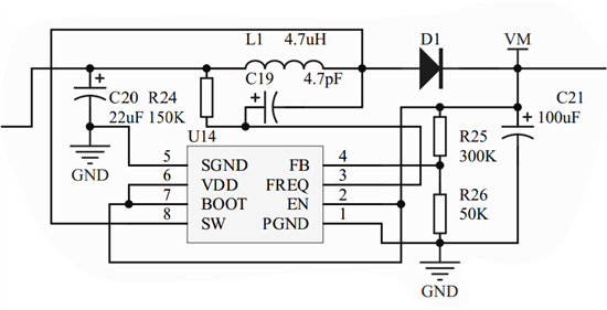
使用LM2623电源芯片进行升压,输出不对,输出等于输出入;
设计结果是:
输入:4.8V
输出结果:8.6V左右
但是结果不是这样,检查了好几遍了,没有找到问题所在,请TI以及论坛专家帮帮。。。
实际结果是:
输入电压:4.8V
输出电压:4.8V
This thread has been locked.
If you have a related question, please click the "Ask a related question" button in the top right corner. The newly created question will be automatically linked to this question.
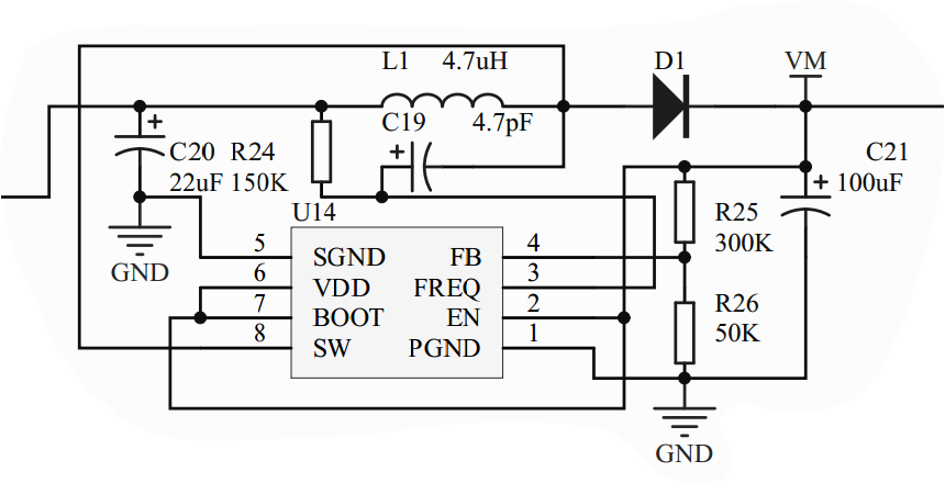
使用LM2623电源芯片进行升压,输出不对,输出等于输出入;
设计结果是:
输入:4.8V
输出结果:8.6V左右
但是结果不是这样,检查了好几遍了,没有找到问题所在,请TI以及论坛专家帮帮。。。
实际结果是:
输入电压:4.8V
输出电压:4.8V