除了BQ2013H用于铅酸蓄电池的电量检测还有哪个,能推荐一款性价比高的吗?BQ2013H工作温度范围是0到70°C 太窄了
This thread has been locked.
If you have a related question, please click the "Ask a related question" button in the top right corner. The newly created question will be automatically linked to this question.
The only other option is bq2060A. It is newer than bq2013H.
www.ti.com/.../bq2060a&lpos=See_Also_Container&lid=Alternative_Devices
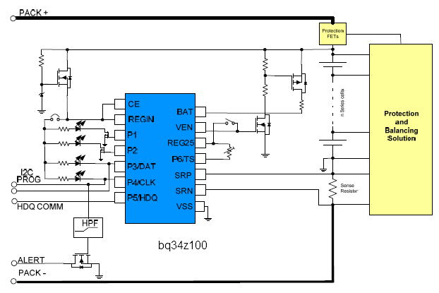
即将推出的 bq34z100 应该更理想.附件是电路方块图. 这是一款纯电量计,可适用于单节乃至多节的各种化学成分电池,锂电,铅酸,镍氢...
如果感兴趣,请发电邮地址.
目前还没有正式推出,麻烦您随时关注TI官网的信息。此外,下面bq34z100evm也是在PREVIEW的状态。