请问可以输出正负5V3A的IC有哪些?最好BOM的价格在10元以内。我想要的是这个IC,既可以输出+5V,也可以输出-5V,电流希望能够达到3A,
This thread has been locked.
If you have a related question, please click the "Ask a related question" button in the top right corner. The newly created question will be automatically linked to this question.
Hi
请问一下您的输入电压范围是多少呢?这样才能帮您确定芯片型号。
此外您是想一个芯片同时输出正负3A的电压么?
或者您可以访问WEBench.ti.com 进行选择。
Hisen Zhang
Hi
如上也可以用2个芯片来做,一个做正3A输出,一个做负3A输出。
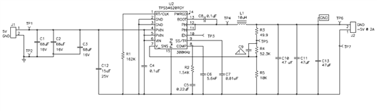
正负3A都可以采用一些同步芯片来做,例如TPS54620的3A输出版本TPS54320等等,很多降压的芯片都是可以的。
不好意思,第一次发帖,没注意,输入电压范围是+24V~+9V,因为我的电路需要正负5V供电,但是输入电压希望是一个单电源供电,所以我是想用个IC做成一个小板,用两个小板来供电,但是这个小板可以做为输出+5V,也可以以正电压输入而输出-5V。也就是说两个小板的电路是一样的。
Hi
TI有提供这个芯片的设计文档: http://www.ti.com.cn/general/cn/docs/lit/getliterature.tsp?baseLiteratureNumber=slva369&fileType=pdf
TPS54160是1.5A的芯片,如果要+/-5V/1.5A, 建议用TPS54360,这个是3.5A的版本。
和TPS54660类似,40V版本的芯片TPS54340应该也是可以的,成本比较低,TPS54660是60V版本,但是没有提供TPS54340这个芯片的设计文档,。
Hi
如果用TPS54340, 可以参照TPS54160的设计方式。
Hi Cobain Zhang
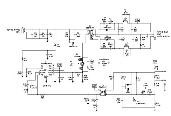
想补充一些,我们有成熟的TI-Design PMP5863,但是此方案的输出电流仅有150mA。
您可以使用Flyback 拓扑来设计您的电路,这样功率能够做得大一点。
需要强调的是,以上两种拓扑的输出电压精度不会太高,输出电压会随负载变化较大。
如果您对输出电压精度有要求的话,还是建议您使用两个芯片TPS54340 、LM25088 来分别完成正负电压输出。
Hisen Zhang