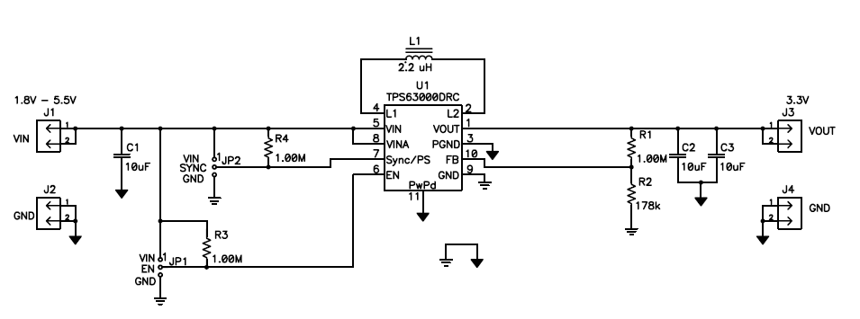
加上4v电池,电池电流200mA,空载电流50mA。发热厉害。电路图如下:
This thread has been locked.
If you have a related question, please click the "Ask a related question" button in the top right corner. The newly created question will be automatically linked to this question.
我换成了100K的电阻,导致输出电压降低,无法给负载供电。。。VINA直接接正极可以吗?我的电流前面是个锂电池。可以不可以把VINA串个小电阻接正极,然后Sync和EN通过1M的电阻接正极?
Hi
VinA的电阻不能太大,否则影响芯片的供电。
可以直接短接或者用一个小电阻如100ohm , 不应该是这个电阻导致的芯片功耗过大。
SYNC和EN可以直接接电池电压,但中间不要串联过大的电阻,否则是会影响芯片工作的。
tps63000和63001有什么区别?为什么按照datasheet上编写的出现这个问题?意思是我这个电路没有问题,是芯片的问题吗?
Hi
你可以忽略两者的区别,前者是通过反馈电阻输出可调的芯片,后者是固定3.3V反馈电阻内置的固定输出芯片。
Hi
将PS脚接GND, 使芯片工作在Powersaving模式下可以获得非常低(60uA左右)的静态工作电流。
Hi
如果不需要做控制,直接在layout中将PS接GND即可,这样就是默认的Powersaving模式,轻载效率会比较高。
不明白你提到的检测是指什么? 在测试前,PS就是接地的,然后在测试静态电流。
Hi
购买芯片需要找TI的授权代理商: http://www.ti.com.cn/general/cn/docs/gencontent.tsp?contentId=24957&DCMP=TI-cn_Home_Tracking&HQS=v?OT%2bhome_b_dist
点击“+”看到联系方式。
Hi
售货渠道是TI判定芯片真伪的唯一标准.
在首先做设计时,建议你在TI网站上申请免费样片(或者找代理商申请),这样可以少走很多弯路,一个坏掉的伪劣的芯片,怎么都调试不出来正确的结果。