Other Parts Discussed in Thread: LM25066

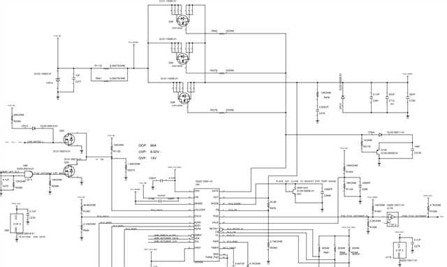
在使用LM25066A的过程中,出现了输出电压掉电,但是输入没有掉的情况。测量信号发现:P12V_BP上因为某些原因出现了一个波动,过冲达到了17V,持续时间380ns;此时,测量GATE信号发现GATE下降了2V多,如下图绿色信号所示,黄色是Power good;


我想问下GATE和FB之间的电压差距多大时LM25066会出现关断?这个差距可以通过什么方法进行调整?
This thread has been locked.
If you have a related question, please click the "Ask a related question" button in the top right corner. The newly created question will be automatically linked to this question.
一开始我们也是认为是过压保护或者是欠压保护导致的瞬间关断,后面我们尝试将UVP和OVP的上的电压固定,但是还是出现了输出出现掉电的情况。
这个上冲是由于机器的故障导致的。在没有出现这个上冲的情况下,运行正常。
HI
要想办法避免这个上冲,因为热插拔芯片的目的本身就是为了避免输入过冲损坏芯片。