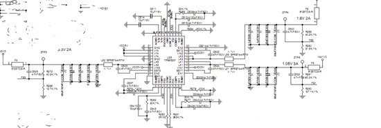
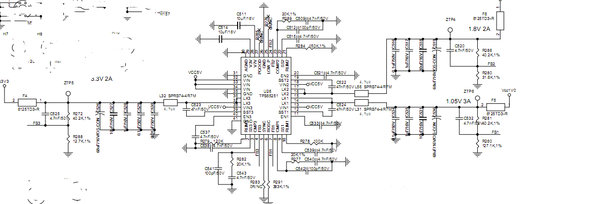
之前在设计中需要用到时序控制,但是需要3.3V,1.8V和1.2V,后来就选择了TPS65251芯片,同时可以输出三路,而输入可以从4.5到18v。
通过控制下图公式中的CSS就可以控制相应通道的开启时间。
下图是测试波形:
This thread has been locked.
If you have a related question, please click the "Ask a related question" button in the top right corner. The newly created question will be automatically linked to this question.
之前在设计中需要用到时序控制,但是需要3.3V,1.8V和1.2V,后来就选择了TPS65251芯片,同时可以输出三路,而输入可以从4.5到18v。
通过控制下图公式中的CSS就可以控制相应通道的开启时间。
下图是测试波形: