你好,
有几个问题想确认一下,谢谢!
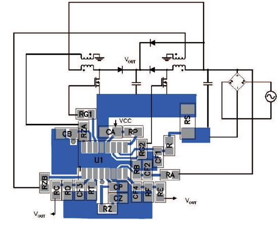
1.前面的文字我能理解,最后一句说ac-line recovers from a brown condition,请问这时候具体是什么原因容易出现由于反向恢复导致的失效?
2.UCC28063适合做1000W吗?推荐UCC28063做的最大功率是多少?
3.布板的时候ZCDA、ZCDB所接耦合电感的地应该接功率地还是信号地?
This thread has been locked.
If you have a related question, please click the "Ask a related question" button in the top right corner. The newly created question will be automatically linked to this question.
你好,
有几个问题想确认一下,谢谢!
1.前面的文字我能理解,最后一句说ac-line recovers from a brown condition,请问这时候具体是什么原因容易出现由于反向恢复导致的失效?
2.UCC28063适合做1000W吗?推荐UCC28063做的最大功率是多少?
3.布板的时候ZCDA、ZCDB所接耦合电感的地应该接功率地还是信号地?