This thread has been locked.

If you have a related question, please click the "Ask a related question" button in the top right corner. The newly created question will be automatically linked to this question.

做了一个UC3842的隔离式开关电源 求指导

Other Parts Discussed in Thread: UC3842

暑假在实验室学习,做个开关电源练练手,碰到好多问题 希望做过的前辈们指导一下。

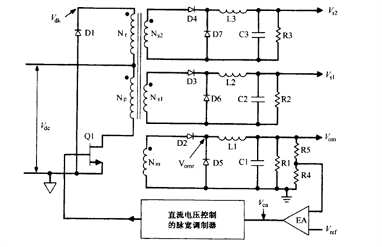
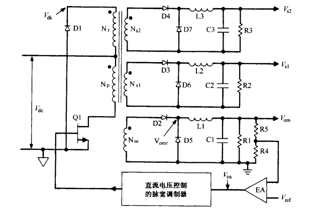
电路是正激变换器拓扑,频率在37K左右,输入电压Vdc 20-30V DC.设计的主输出Vom为5V,还有一路Vs1为9V输出。

变压器EE的磁芯面积大约1平方厘米,Np  Nr为18匝,Nm为11匝Ns1 为18匝

目前主输出调反馈能稳定输出。但是UC3842输出波形不对

是不是变压器设计的有问题啊?感觉它磁通一直饱和呢,该怎么解决呢?

谢谢!!!