This thread has been locked.

If you have a related question, please click the "Ask a related question" button in the top right corner. The newly created question will be automatically linked to this question.

纠结到死的移向全桥整流电路软开关(zvs)驱动震荡的问题求助

Other Parts Discussed in Thread: UCC27324

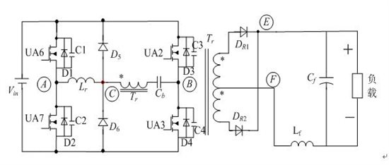
移向全桥整流电路在小电流(1A)输出时,未实现ZVS。

驱动开通的过程中,波形出现震荡。

下图中-----红色:为一滞后桥臂DS电压,绿色:GS电压,黄色:变压器原边电流。

从下图可以看出,在启动过程中为实现软开,驱动波形还有震荡。

我把mos管DS级并联的电容去掉了,谐振电感增加到20uh的情况下测得的数据。

DCDC是输入390v,输出最高420V,7A,电流闭环控制,移向全桥整流输入,桥式整流输出拓扑结构。

请问:这个问题还有什么办法解决吗????????

  • 亲;移相全桥在轻载以下是比较难做到零电压开关。一般是变压器设计或结构或不适当的MOSFET导致无法电压接近零。

    亲;首先建议开大变压器气隙,以增加励磁电流。从亲的波形看;显然是励磁电流偏小了。先期可以用外并电感方式模拟开气隙;以便获得最佳参数,后期依此修正变压器设计。

    其次;减小功率管的开通驱动电流。

  • 变压器是没有开气隙,外并电感,是把电感并到变压器的两个输入端引脚吗?那么请问要从多大开始试验呢?

     

    减小功率管的开通驱动电流就是将mog管G级前端串联的电阻值加大吧??我现在用的电阻是3.01Ω,采用UCC27324芯片驱动。

  • 亲;因不知道具体参数,很难给个准确的建议。如果方便,可以从1mH开始试起,感量越小零电压特性越好。

    亲;这里的电感必须是功率电感,注意磁芯不能饱和。

  • 实际中我把这两个二极管去掉了,要是加上这两个二极管会不会好一些????

  • 亲;这两个二极管是辅助换流的,它能使四个主功率管都实现软开关。如果没有它们,效率会低些,但电路会简单;控制也会简化,成本会低些。所以;作为产品;全看亲自己平衡了。

  • 亲,我最近在做移相全桥,遇到了和您类似的现象,请问您这个问题最终是如何解决的呢

  • 大神,你好,我最近用DSP28035做一款移相全桥的可调电源,遇到了驱动震荡的问题,看到你指导的这个帖子,请问主变压器的气息开多少合适?怎么计算啊?谢谢!

    我的电源参数是:输入电压直流310V,输出电压100V,50A(0-100V可调)

    开关频率:100KHz

    MOS管型号:IXFH80N65X2

    原边钳位二极管(D5和D6)型号:DSEI60-12A;

    原边谐振电感:铁氧体ETD49,开气息之后,4uH;

    主变压器:铁氧体EE85    匝比6:3:3(不开气息,原边电感量355uH,漏感2.5uH)

    副边二极管:MUR3060PT(三只并)。

    输出滤波电感:铁硅铝磁环,12uH。

    输出滤波电容:220Uf/250v  五只并联。