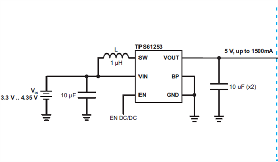
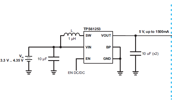
Other Parts Discussed in Thread: TPS61230, TPS61200, TPS61253
我的问题是这样的,我们现在需要一款Boost芯片,输入的范围比较宽,需要比较大的输出电流。我们的应用是这样的,前端我们用的是感应变压器的感应电动势作为输入,在一定的情况下,可以看成具有一定内阻的,电动势E=UI恒定的电源,由于内阻比较小2~3欧姆,因此根据公式E=(Uo+Ur)*Ir,因此当负载较大的时候,能够实现50%的功率输出。但是负载较大的时候,电源输出的电压是比较低的;
现在后端我们需要驱动的是可能瞬间需要2A的3.8V的GSM/GPRS模块负载;
在实验中发现,采用恒定的电压源作为输入,给TPS61230供电,在3.6V输入的时候,我们的模块才能工作;降低输入至3.3V以下的时候,模块没法启动;
因此做了下面的TPS61230带负载实验;
TPS61230带电阻负载实验:
将TPS61230从输入2.4V-3.6V升压至3.8V
电阻负载,4欧姆、5欧姆、6欧姆、8欧姆、12欧姆
12欧姆负载时:(317mA)
带负载启动,输出跟随输入提高而提高,无法稳定输出3.8V;
不带负载启动,首先将输入调至3.6V,3.8V可以稳定输出;
加上负载,3.8V仍然很稳定;
不断降低输入电压,至2.6V时,3.8V电压瞬间跌落至2.3V。
注:(跌落之后,电流虽然有,但是比预期的小了)
8欧姆负载时:(475mA)
带负载启动,同上;
不带负载启动,首先将输入调至3.6V,3.8V可以稳定输出;
加上负载,3.8V仍然很稳定;
不断降低输入电压,至2.8V时,3.8V电压瞬间跌落至2.4V。
4欧姆负载时:(950mA)
带负载启动,同上;
不带负载启动,首先将输入调至3.6V,3.8V可以稳定输出;
加上负载,直接掉至2.9V;
5欧姆负载时:(760mA)
带负载启动,同上;
不带负载启动,首先将输入调至3.6V,3.8V可以稳定输出;
加上负载,直接掉至3.2V;
6欧姆负载时:(630mA)
带负载启动,同上;
不带负载启动,首先将输入调至3.6V,3.8V可以稳定输出;
加上负载,3.8V仍然很稳定;
不断降低输入电压,至3.5V时,3.8V电压瞬间跌落至3.3V。
TPS61230升压Boost电路,带负载是无法直接启动的,电压升不上来;考虑实际情况,也不是一直有负载,所以可以将上述不带负载启动,后加负载进行试验,跟实际应用类似。上述实验可见,随着负载增大,所需要的电流增大,输入与输出的差值必须不断缩小,也就是说负载大的时候,输入必须要高,否则输出就无法稳定。
从实验中,上述情况正好与我们的实际情况相吻合,我们用的GSM/GPRS模块,在启动瞬间电流比较大,在500mA-1A左右,瞬间还有可能到达2A,所以资料上面推荐用2A的电源。由上面的实验可见,在650mA的时候,如果输入没有达到3.5V及以上,3.8V就会出现明显跌落。可以猜想,应该是这样一个过程,模块瞬间启动,电流很大,此时输入没有达到3.5V,3.8V产生明显跌落,模块没有开启成功,关闭了,3.8V又恢复正常。
根据Boost电路的原理,输出电流会随着输入电压与输出电压的差值或者比值而变化,输入与输出电压越接近,带载的能力才越强。但是这款芯片输出电流大的时候,要求输入如此的高是我们没有预想到的。我们比较理想的是较低的输入,而且电流还要比较大,因为我们用的电源不是稳定的恒压源,所以这款芯片是不是不符合我们的应用场景。
有没有TI的工程师能够给出详细的关于BOOST电路的解释,就是输出电流与输入电压、输出电压之间的关系,还有我们这样的应用环境,采用什么样的BOOST电路IC才能符合我们的要求?我们曾用过TPS61200,就是因为电流不够,才选择的TPS61230,但是TPS61230的表现却不尽人意?请问我的实验是否有问题呢,还是我们就是不能用这款IC?
