
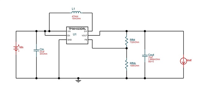
In this circuit, this circuit can output up to 1.5A, but it can only output up to 400mA. After working for 1 minute, the TPS61023 will be damaged and will not work.
Do I need to replace an inductor ? Increase the inductance value to 1uH or 2.7uH to improve the output current of this circuit