This thread has been locked.

If you have a related question, please click the "Ask a related question" button in the top right corner. The newly created question will be automatically linked to this question.

BQ25606: 用4节南孚5号电池供电,在冲击时出现关机或重启

Part Number: BQ25606

Hi TI expert,

此BQ25606芯片,用4节南孚5号电池供电,结果在冲击(将产品固定在冲击台上,用1000N的力撞击)时出现机台冲击或断电的情况。

请问:

1. 此芯片的规格书中建议用USB供电,但我们用碱性电池供电且需要在冲击状况时使用,请问这对芯片的输出是否有影响?

2. 刚开始干电池的电量充足,在25606开始冲击后它的输入电压会出现电压升高的情况,此时容易出现重启的现象。

在电池电量下降些,冲击后25606的输入电压会比干电池的电量低,此时不再出现重启。

请问25606的输入电压的变化是否是重启的根本原因?如何能消除这种影响?

  • 您好,正在询问更了解这款芯片的TI工程师,稍后回复。

  • 您好,请参考下面内容

    1)Firstly, what is being measured in the waveform labeled "Main power"? The other 3 waveform labels are indicated on the schematic, but I do not see the same for Main power.

    2)Can you also help to further clarify the difference in test setup between the 1st and 2nd waveforms? You say the battery power drops do you mean the 4 AA battery input? Is that the only change? Is a battery connected at the BAT pin?

    3)What is the customer monitoring to determine when restart occurs? 

    The BQ25606 is designed to work with a stable DC input voltage. Based on the waveforms the issue does seem to relate to the unstable input supply voltage during impact test, but I would not expect too high of voltage to be the cause as input overvoltage threshold is over 14V.  

  • Hi TI expert,

    请参考如下回复:

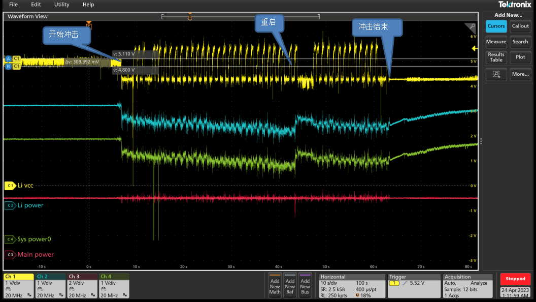
    1). Main power是SYS_POWER0经DCDC转出的电压,您可以忽略,只看Li_vcc和Li_power即可。

    2). 第一张波形图是产品在装入4节新碱性电池时测得的,在冲击200次左右后测得的波形如第二个波形图。

    You say the battery power drops do you mean the 4 AA battery input?-----是的。

    Is that the only change?-----是的。

    Is a battery connected at the BAT pin?-----是的,一个220mAh的可充电锂电池。

    3)产品会重启,即从开机logo开始重新启动。

    The BQ25606 is designed to work with a stable DC input voltage. Based on the waveforms the issue does seem to relate to the unstable input supply voltage during impact test, but I would not expect too high of voltage to be the cause as input overvoltage threshold is over 14V.  -----是的,我们目前用4节AA电池为BQ25606供电,电池的电压在冲击时可能会不稳定。但是输入电压值在4*1.5V=6V,不会超过14V.

    但是我不明白的是如上面用4节AA电池为BQ25606供电的两个波形,为什么会出现Li_VCC不同的情况?为什么会有25606的输入电压超过供电电压的情况?

  • 您好,从波形上看输入电压没有超过供电电压。

    Li_VCC不同的情况,

    My initial thought is that the impact test is the cause of the input supply voltage instability. To check an alternate theory, can the customer capture a waveform of the input current draw during the impact test? It will be helpful to see if any unexpected current spiking occurs.