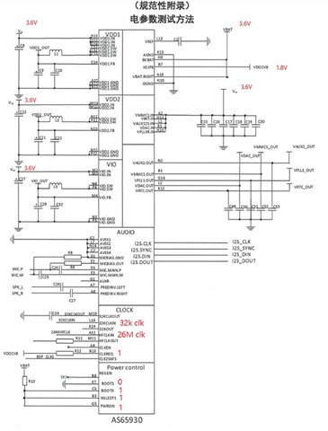
给vbat引脚3.6V电压,给模块各部分输入电压,延迟10ms,根据需要给控制引脚正确的电压,向时钟引脚输入32KHz时钟和26MHz时钟后,DC-DC和LDO部分输出电压异常。以下是我们的测试电路图和控制引脚电平图。 请问是什么原因?

This thread has been locked.
If you have a related question, please click the "Ask a related question" button in the top right corner. The newly created question will be automatically linked to this question.
HI
电源设计见datasheet 第27页, 请问电压异常,有没有确认对应输出的负载?