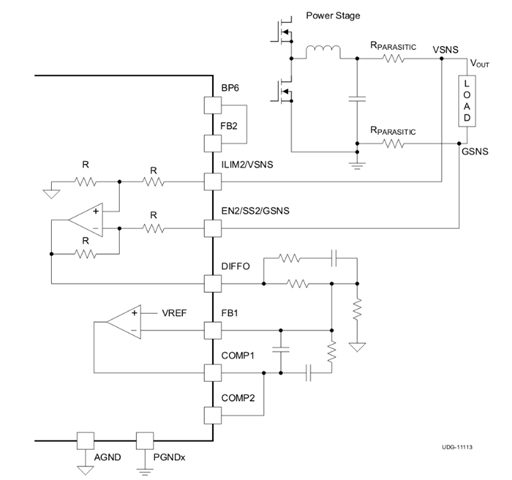
我在使用TPS40322,实现一种交错变换器的过程中遇到一下问题:由于变换器是隔离型的交错结构,且输出电压小于2.2V。按照TPS40322 datasheet的功能描述,作为两相单输出控制器使用且输出电压小于2.2V时,需要使用远端采样运放对输出电压进行采样。但因为我设计的变换器是隔离的,无法直接对输出电压进行采样。请问这种情况下如果不使用这种采样方式,而是采用传统的补偿器加光耦,直接给COMP引脚是否对系统有什么影响?这种情况下是否有参考设计。如果这种情况下必须使用datasheet运放的采样方式,有什么办法能够将输出电压更好的传输到原边。
