
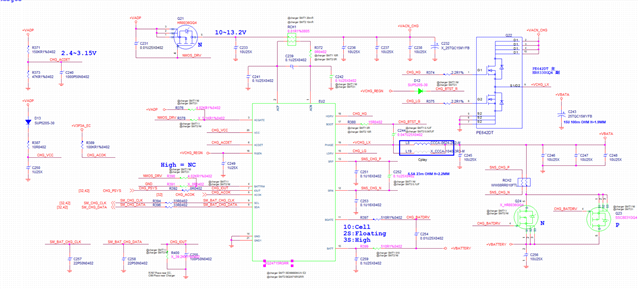
如图所示,在只插适配器,未按power button的情况下,后端输出VBAT电压纹波很大,线路如图所示,请帮忙看下大致是什么原因引起的呢.
This thread has been locked.
If you have a related question, please click the "Ask a related question" button in the top right corner. The newly created question will be automatically linked to this question.