Other Parts Discussed in Thread: TPS62095
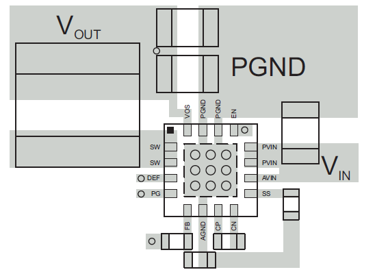
采用TPS62095产生1.2V作为FPGA和DSP的内核供电电源。原理图采用官方原理图,如下:
PCB布局如下:
取值均采用官方推荐值,Cp11=22uF,Cp12=10nF,Cp13=10nF,Cp14=Cp15=22uF,Rp11=100k,Rp12=200k,Lp11=1uH,实际电路中,RP13没有接。
空载调试。datasheet中说明FB点电压应该为0.8V,但是实际电路测量发现,FB电压在1.6V左右波动,波动值大概为0.2V左右。输出电压一开始为1.2V,一段时间之后,电压开始波动,开始在1.2V上下波动,波动范围0.1V左右,后来会跌到0V,然后又会跳至1.2V左右。
麻烦各位指导一下这是什么问题,是芯片在焊接过程中损坏?是否与空载有关?



