This thread has been locked.

If you have a related question, please click the "Ask a related question" button in the top right corner. The newly created question will be automatically linked to this question.

关于tps5450最小压差以及使用的问题

Other Parts Discussed in Thread: TPS5450, LM1085, TPS54540, TPS54560

            楼主  用tps5450设计了一款降压电路,但是在使用的过程中出现问题,不知道tps5450的输入输出压差是多少,特发帖求助,楼主的主要问题如下所示:请各位分析和解答下,问题描述如下:我想问一下TPS5450的输入输出最小压差是多少?输入电压9V,希望能输出能在8.5V,不知道能不能做得到。

帖子链接如下:http://www.deyisupport.com/question_answer/analog/power_management/f/24/t/51580.aspx

           TI FAE: 解答了楼主的问题,指出了楼主设计中可能存在的问题的点,如下所示:做不到。Datasheet第3页讲最大占空比89%,你这个占空比在不考虑MOSFET导通压降,电感DCR压降和PCB压降的情况下都8.5/9=94%了。

         TI FAE: 也指出这颗最大占空比在89%左右,所以8.5V输出很难做到。

              TI 技术人员提供了另外一种LDO的解决方案,如下图所示,就是效率低一些:

             那么tps5450究竟是一款什么样子的IC呢,为什么无法满足楼主的设计需求呢?这个就需要我们进一步的去学习了解tps5450这款设计芯片,看看究竟该如何使用tps5450是设计我们所需要的电路,以及tps5450能够设计什么样子的电路。

              通过以上TI的 FAE对楼主的众多问题的耐心解答,相信大家对于tps5450最也已经有了深入的了解,对于如何处理这类问题,也了有了更好的办法,下面我还需要给大家介绍一下tps5450最这款芯片,加深大家的了解,如下图所示,是tps5450最的封装结构图:

            关于tps5450的封装,其实就是很简单的DDA  8PIN的结构,整体的设计非常简单,其芯片底部确实有着巨大的散热焊盘,可以帮助我们散热,不过需要注意利用PCB进行过孔的辅助设计啊。 下面我们来看看tps5450的的输入输出参数,如下图所示:

                

            如上图所示,我们可以看到tps5450的输入电压范围是从5.5V到36V,输出最大电流为5A,输出电压范围从1.22V到31V,典型的控制拓扑结构就是BUCK,也就是说,tps5450是可以实现降压设计的。最大占空比为89%,这个也是限制我们的输出输出压差的一个重要因素。这个对我们的设计就简单多了。

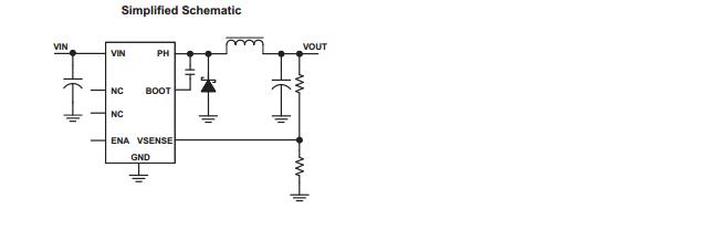
            下面我们再看看tps5450的典型的应用电路图,如下所示:

        以及输出电流与效率的关系,这个直接关系到芯片的散热问题,如下图所示:

        如上图所示,我们发现,tps5450的输出电流越大,效率越低,那么需要的最小压差也就越大了。关于最小压差问题,我们还需要关注一下tps5450的内置MOSFET的问题。该MOSFET导通的时候,其上面的压差可以计算出来,如下图所示:

            此外, 输入电容的容量选择问题,可以参考下面的计算公式:

          

            在 tps5450的设计过程中,我们还需要注意功率电感的设计问题,其计算公式如下所示:

           输出电容的容量以及ESR的计算问题,如下图所示:

        最后最为重要的一点,就是PCB的布局问题了,这个可以参考TI推荐的方案,如下图所示:

     以及散热焊盘的处理问题:

  

              以上就是关于关于tps5450最小压差以及使用的过程中需要注意的一些问题,与大家一起分享一下。