This thread has been locked.

If you have a related question, please click the "Ask a related question" button in the top right corner. The newly created question will be automatically linked to this question.

TPS56121的低温问题分析

Other Parts Discussed in Thread: TPS56121, TPS56221, TPS54531, TPS56121EVM-601

             楼主想使用TPS56121设计一款降压转换器,但是对其功能以及如何使用不太明白,在-40度环境下,发现5V输入时电源不正常,故发帖求助:

使用TPS56121给FPGA供电,5V输入,1.0V,1.8V,3.3V输出。使用TI网站上的工具计算反馈回路参数。EN/SS除了22nF电容没有连接别的网络。在-40度环境下,发现5V输入时电源不正常,但提高输入电压到6.3V左右时就可以正常工作,此时再降低输入电压到5V,仍旧可以工作。请问是什么原因?

帖子链接如下所示:http://www.deyisupport.com/question_answer/analog/power_management/f/24/t/29182.aspx

               TI FAE: 解答了楼主的问题:在您的电路中进一步增加输入电容的容值(可以采用X7R等陶瓷电容),layout上靠近Vin脚。初步怀疑是低温一下,输入电容容值降低导致的瞬态稳压能力降低,因为调高输入电压可以解决。而正常启动后,降低电压仍能正常工作是因为欠压保护的迟滞作用。

         下面我们看看楼主的另外一个相关的问题:出问题时板上VIN处有100uF、22uF钽电容各1个,两个1uF X5R陶瓷电容,耐压值都是25V,请问这样的配置有问题么?就算计入低温及DC偏压的因素,容值也不会下降得太多吧?因为1.0V为FPGA内核电压,1.8V为IO电压,3.3V为晶振及其他IC的电源,所以低温下故障现象大致有两类:1、FPGA上电配置后无法正常工作:逻辑出错、PLL不能锁定等2、电源不正常:TPS56121的PG LED闪烁

          我们来看看TI的技术人员对这个问题是如何回答的:钽电容的温度系数也还行,不过最好也确认一下。 X5R电容使用-55~85℃,也都是可以的。layout上要注意,输入的走线尽量宽,因为电流比较大,可能造成压降, 另外就是输入电容要尽量靠近芯片Vin .可以的话,最好是有些波形,例如输入电压的波形,以及输出不稳定(也就是输出的波形)之类,信息越多,越便于分析定位问题所在。

          TI FAE: 也指出了设计中可能存在的另外一个问题:应该是低温输入电容容值下降,导致输入纹波变大,使UVLO徘徊在门限附近。UVLO上升和下降时的门限是不一样的。建议更换温度稳定性更好的输入电容,或者增加输入电容。

             下面我们看看楼主的应用情况:使用680uF的钽聚合物电容替换原来的100uF钽电容,也只是部分改善。在-40度环境下,有两块板卡在5.5V~6V左右的输入电压下可工作(之前需要6.3V~6.4V的输入电压),一块板卡在5.1V左右的输入电压下可工作。造成这种情况的原因除了低温下的电容特性下降还有可能是什么原因?先了解一下楼主的测试波形,如下图所示:3.3V输入波形

         从上图可以看出来,开关频率大约为500KHZ,最大纹波居然有38mV,我们在了解一下其他的波形:1.8V的纹波波形:

         我们再看看1.0V的输入波形,如下图所示:

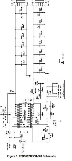
        楼主的应用电路图如下所示:

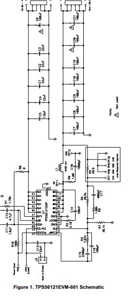
          楼主的PCB布局如下所示:

         从上面楼主提供的资料来看,基本都是按照TI推荐的方案来做的,也没有发现什么大问题,那么在-40度的环境下会有什么问题呢?我们一起来楼主的测试波形,如下图所示:

             波形严重振荡,工作不正常了,我们看看细节的波形,如下图所示:

          在看看正常的对比波形,如下图所示:

          很明显IC工作不正常了,最后确认居然是IC的问题:最后更换TPS56221解决问题。


           以上就是对于楼主使用TPS56121的低温问题的回答。我们可以好好学习一下。

           其实如果我们仔细查看一下TPS56221,就会发现TPS56221相比TPS56121,最明显的差异是电流大了,参数基本上都是差不多的。那么究竟我们在使用TPS56121进行设计的时候应该注意什么问题呢?

          那么TPS56221究竟是一款什么样子的芯片呢?我们改如何正确的使用TPS56221 来设计电源呢。这些都是我们在设计中需要学习的问题,下面我们就一起去学习一下TPS56221这款芯片的详细功能,如下图所示,是TPS56221 的封装结构图:

            关TPS56121的封装,其实就是很简单的22PIN的结构,整体的设计非常简单,下面我们来看看TPS56121的的输入输出参数,如下图所示:

              如上图所示,我们可以看到TPS54531 的输入电压范围为4.5V到14V输出电压范围为0.6V到12V。最大开关电流为21A,最大的占空比为93%,典型的控制拓扑结构为BUCK,也就是说TPS54531 只能实现降压输出。这个对我们的设计就简单多了.

             也就是说TPS56121 是一款工作电源电压在 4.5 V 与14 V 之间 的高效率大电流同步降压转换器。该器件可在高达 15 A 的负载下产生低至 0.6 V 的输出电压。 集成型 NexFET 功率 MOSFET 可带来小型化与易用性优势。

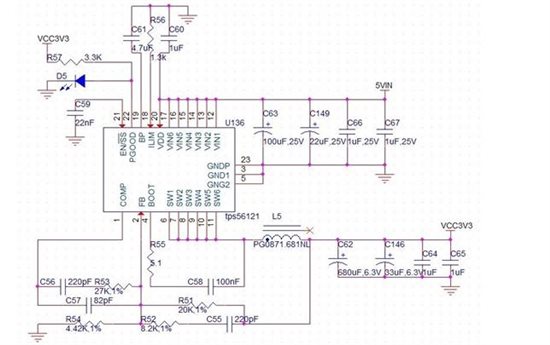
            下面我们再看看TPS54531 的典型的应用电路图,如下所示:

              那么对于楼主出现的TPS56121的低温问题,我们需要注意哪些方面呢,首先我们看看TPS56121的应用的环境温度问题,如下图所示:

              很明显,TPS56121的工作温度是-40度到150度的,,也就是应用没有问题。我们再来看看FB脚的反馈电压的漂移问题,如下图所示:

             温度与FB电压的曲线关系如下图所示:

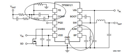
        关于FB的功能如下所示,主要是环路反馈的部分,这一点至关重要,如果环路参数匹配不好的话,在高低温下极容易出问题的:

          FB的你不环路补偿部分如下:

             其实还有电感,以及输出电容的计算问题,PCB等都需要注意,这些就需要具体的问题,具体去分析了。


           以上就是关于TPS56121的低温问题分析的分析学习,以及使用TPS56121设计电路需要注意的一些问题,与大家分享一下。