Other Parts Discussed in Thread: TPS25940
您好,
有个问题想要请教下。
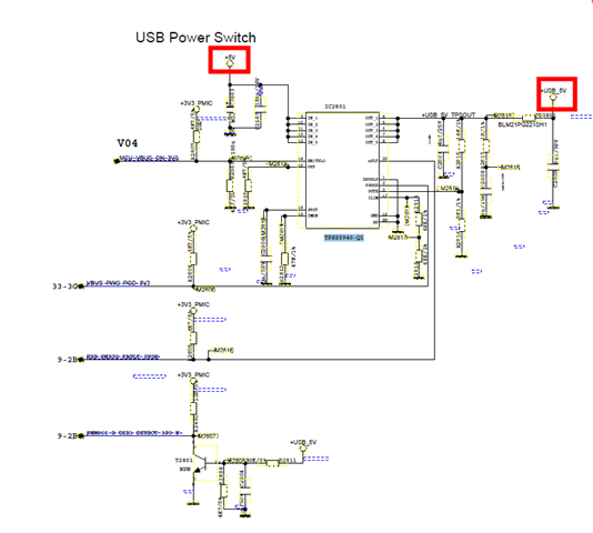
目前在我们的部分产品中出现以下问题,当我们在+USB_5V处给一个电压,如8V,在+5V处则会被反灌8V。我们的原理图设计如下:
参考规格书的功能框图。当Vout-Vin>66mv时,NFLT脚会拉低,芯片也会去关断。
想请教的是,什么情况会使这部分功能失效,有什么测试方法去判断芯片这部分功能正常?
期待您的解答。
This thread has been locked.
If you have a related question, please click the "Ask a related question" button in the top right corner. The newly created question will be automatically linked to this question.
您好,
有个问题想要请教下。
目前在我们的部分产品中出现以下问题,当我们在+USB_5V处给一个电压,如8V,在+5V处则会被反灌8V。我们的原理图设计如下:
参考规格书的功能框图。当Vout-Vin>66mv时,NFLT脚会拉低,芯片也会去关断。
想请教的是,什么情况会使这部分功能失效,有什么测试方法去判断芯片这部分功能正常?
期待您的解答。
Hi
没法避免,一般操作中不会有这种情况,输入有电压的情况,输出有更高的电压,这个时候TPS25940就是不正常工作,而不是进行保护。
没有回路就是没有输出到输入的电流。