楼主 lifeng Song 想使用BQ34Z100设计一款升降压转换的电源,但是对其功能以及如何使用不太明白,在设计中遇到了几个问题,故发帖求助:调试TPS61028中遇到问题,空载时候,输出正常为3.9V,150mA左右能正常输出(前提是输入上电后,再接入负载;若输入上电前,接入负载,则输出为2.4V),但是300mA时候输出都是1V。资料及电路图如下,电感使用的是6.8uH 2.75A饱和电流的绕线贴片功率电感。请有用过这个芯片的、有相关经验的给些指导与意见,谢谢了。
帖子链接如下所示:http://www.deyisupport.com/question_answer/analog/power_management/f/24/t/8168.aspx?pi2132219853=2
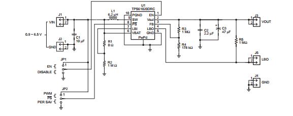
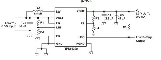
我们再来看看楼主的设计原理图,如下图所示:
很明显楼主的设计原理图是没有问题的,那么输入输出参数是怎么样的呢?我们一起看看:输入电压2~3V,上面的结果是在3V输入时候测试的,带载时候输入电压正常,未被拉低。
我们再来看看楼主的PCB设计是否有问题,如下图所示:
对于PCB的设计,TI FAE:Stone Zeng 的建议如下:在R1一端(与芯片6脚相连)接1uF电容到地,如蓝色线所示。
对于PCB的设计,TI FAE:Stone Zeng 的另外一个建议如下:目前的功率环路很大,请做如下更改,把C1移动到L1下方,C2,C3也靠近IC(如图中蓝线所示)
按照上述更改后,楼主的回复如下所示:在前面修改的情况下,按您建议的进行了修改,但是没有什么变化。布线会对这款芯片有这么大的影响么?
对于楼主疑问,TI技术人员的回复如下所示:芯片的工作频率是600kHz, 之前的布板功率环路太大,寄生电感干扰芯片正常工作,之前建议移动C1C2,C3位置使功率回路减小,但连接要注意不要用飞线,或用尽可能短的飞线。
我们看看楼主相关的试验问题:这个扳子上面R3与R4更改为150K与22K,并根据手册在R4上并联了一个150pF的电容,麻烦您看看?
我们再来看看楼主的PCB文件,如下图所示:
TI FAE: Stone Zeng解答了楼主的问题:1。把长脚电容换成贴片。把白色跳线减短(接R1位置)2。C2与C3移到下方,之前图片的蓝色位置,要连接下方的地,这样回路才会小。
TI FAE: Johnsin Tao 解答了楼主的问题:你这个layout不是很好 Vin的走线Trace需要尽量宽,除了是输入电流的考虑,还有杂散电容。电感所在PAD也要尽量大,同样这个是个考虑,电感需要尽量靠近芯片。重载不启动,原因基本上都是过电流限制。TPS61028的 PowerPad设计就是为了给芯片散热,在您的设计中只是通过小trace将其连接,并没有充分尽量焊接,PowerPad需要充分与PCB GND焊接并尽量延伸以达到散热的目的,如果散热不好,会严重影响到OCP电流保护点。并且建议如下所示:
按照TI技术人员的建议,楼主修改如下:缩短地的回路后,如图,效果明显改观,负载电流390mA时候,输出电压为3.84V(但前提是输入上电后,再接入负载)
按照TI技术人员的建议我们再来看看楼主修改过后的图,如下图所示:
对于PCB的画板问题,TI技术人员提供的建议如下所示:其实dc-dc芯片都遵循相同的layout原则,开关频率越高,对寄生参数越敏感
以上就是对于楼主使用TPS61028中遇到的问题的回答。我们可以好好学习一下。
那么TPS61028究竟是一款什么样子的芯片呢?我们改如何正确的使用TPS61028来设计电源呢。这些都是我们在设计中需要学习的问题,下面我们就一起去学习一下TPS61028 这款芯片的详细功能,如下图所示,是TPS61028的封装结构图:
关于TPS61028的封装,其实就是很简单的DRC 10PIN的结构,整体的设计非常简单,下面我们来看看TPS61028的的输入输出参数,如下图所示:
如上图所示,我们可以看到TPS61028的输入电压范围为0.9V到6.5V,输出电压范围为1.8V到5.5V。最大开关电流为0.8A,最大的占空比为100%,典型的控制拓扑结构为Boost,也就是说TPS54531主要是用了实现升压输出。这个对我们的设计就简单多了.
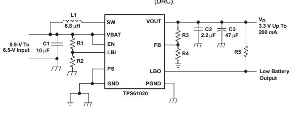
下面我们再看看TPS61028 的典型的应用电路图,如下所示:
如上图所示,我们可以看到TPS61028的外围电路是非常简洁的,除了功率电感,以及输入输出电容等器件外,其他的参数基本都是内置在芯片里面的,那么么我们在设计TPS61028的电路时候,需要注意哪些地方呢,我们一起去学习一下。
首先我们必须充分了解TPS61028的输入电压,输出电压,以及负载的相关曲线,在合理的范围内使用,如下图所示:
关于功率电感的选择,我们可以参考下面的计算公式:
关于功率电感的选择,我们也可以直接使用TI推荐的电感,如下图所示:
然后就是输入电容的选择问题了,如下图所示,10uF的陶瓷电容是必须的,而且需要尽量的靠近IC的PIN脚位置。
再就是输出电容的选择计算问题了,童谣需要考虑容量以及ESR的问题,可以参考下面的计算公式:
最后也是很重要的地方,也就是PCB布局方面了,我们可以参考TI推荐的方案,如下图所示:
以上就是关于调试TPS61028中遇到的问题的分析学习,以及使用TPS61028设计电路需要注意的一些问题,与大家分享一下。