This thread has been locked.

If you have a related question, please click the "Ask a related question" button in the top right corner. The newly created question will be automatically linked to this question.

关于寻升压电路的咨询



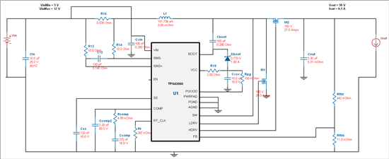
1.问题描述:house wood 提出问题:  有没有比较好的升压电路,能够升压到50v,60v之类的,最近设计一个电路需要比较高的电压,但是供电5v。

2.原文链接:http://www.deyisupport.com/question_answer/analog/power_management/f/24/t/65871.aspx

3.解答问题的TI FAE:  George Luo1

4.个人的收获:

用TI的仿真工具来设计一下,输入5-12V,输出50V,0.1A。