This thread has been locked.

If you have a related question, please click the "Ask a related question" button in the top right corner. The newly created question will be automatically linked to this question.

BQ76952EVM: BA76952关机失败问题咨询

Part Number: BQ76952EVM
Other Parts Discussed in Thread: BQ76952

TI工程师你好:

    我司在用BQ76952过程中遇到关机失败问题,经分析是以下原因:

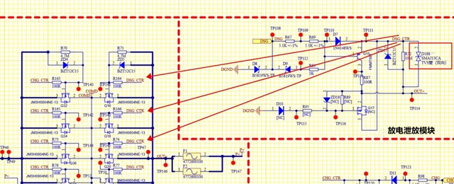
      1、因为外部负载是大容性负载,所以为了使AFE能快速进入shutdown模式,我们在P+和P-之间设计了一个泄放电路,如下图:

       

    2、该泄放电路能将负载电容中的能量快速泄放掉,当P+电压被泄放到0.8V以下时,泄放电路关闭(要求关机时间1S以内),单片机给AFE发送关机指令和拉高RST_SHUT引脚使其进入shutdown模式,但是此时AFE进入shutdown模式失败,原因是当关闭泄放电路的时候,容性负载电压有反弹(反弹到3V左右),此时LD引脚又被唤醒,导致关机失败,如下图:

3、有没有什么措施可以规避此问题,盼复,急,谢谢。