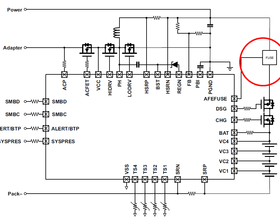
TI专家,请问下bq40z60EVM原理图的源文件可以分享下吗?或者给个链接?多谢!
This thread has been locked.
If you have a related question, please click the "Ask a related question" button in the top right corner. The newly created question will be automatically linked to this question.
TI专家,请问下bq40z60EVM原理图的源文件可以分享下吗?或者给个链接?多谢!
1.那个MOS的作用是预充,可以在低压时开启这个管子关闭充电管
2.具体的建议查看TRM ,http://www.ti.com/lit/ug/sluua04/sluua04.pdf
以下图为准,上图为示意用。default值你用通信盒子EV2400连接新的芯片到上位机就可以查看到。也可以看一下TRM里的注解
Sheldon,
请教下,针对3串2并这种锂电池的使用,如果不需要电量计,系统需要电池保护和充电,有什么方案可以推荐吗?尽量不要通过EV2300等来配置。请帮忙推荐下。多谢
Sheldon,能否推荐下电池保护和充电的方案?目前主流笔记本电池包用的是什么样的方案?我查了一下很多网络上的电池方案,现在TI主页已经不推荐新产品设计了。多谢
您好,BQ40Z60EVM-578默认方式连接后没有电流,不能进行充电。请问是什么原因