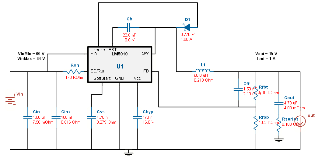
从TI官网设计了降压电路,用LM5010, 输入:64V 输出:15V 然后现在情况是,基本可以输出,但如果开关电源次数一多(5次内) 芯片左下角就会烧毁 不知道什么原因
本人是个菜鸟
这个电路是自己用万用板焊接的 但已经重新焊过两套了 还是烧芯片
请问是不是这么高的电压 必须制作PCB ?
This thread has been locked.
If you have a related question, please click the "Ask a related question" button in the top right corner. The newly created question will be automatically linked to this question.
从TI官网设计了降压电路,用LM5010, 输入:64V 输出:15V 然后现在情况是,基本可以输出,但如果开关电源次数一多(5次内) 芯片左下角就会烧毁 不知道什么原因
本人是个菜鸟
这个电路是自己用万用板焊接的 但已经重新焊过两套了 还是烧芯片
请问是不是这么高的电压 必须制作PCB ?
HI
注意输入,看一下是不是输入导线比较长,如果存在较大的寄生电感,就容易在输入产生一个较大的震荡,出现过压。
Hi
本身的64V输入电压就是比较高,如果是这样的话,就需要在输入端(导线连接处)增加一个较大的电容,例如100uF以上。
您好,如果64V是typical电压输入,建议使用外置MOS的IC设计,或者更高耐压的IC。