Other Parts Discussed in Thread: UC3902, TPS5430
如题 打算用tps5430跟uc3902,不过貌似3902的采样电流放大倍数是固定的,这就就不能按比例分流了。是不是呢?谢谢
This thread has been locked.
If you have a related question, please click the "Ask a related question" button in the top right corner. The newly created question will be automatically linked to this question.
1、输出电流跟电流放大倍数没有直接的关系,输出电流是由负载决定的。
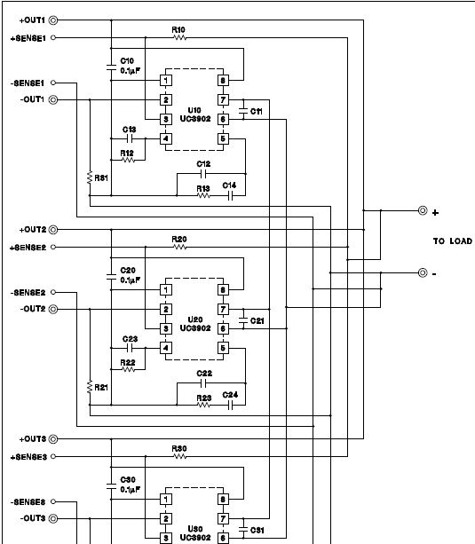
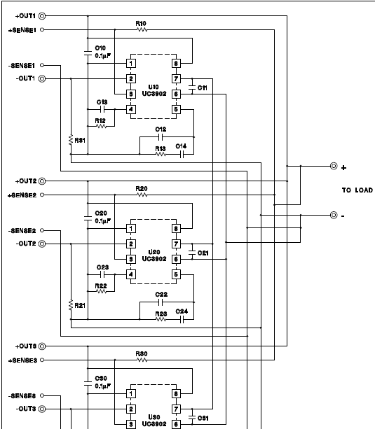
2、UC3902是均流控制IC,是通过比较均流母线大小从而调整输出电压来达到均流的目的。
3、参考电路在DATA里面有啊,
4、强烈建议多读几遍DATA,了解这个IC的工作原理。
没问题,用3902就可以实现,你最好先详细阅读3902的PDF文档,先了解,有问题再讨论。