This thread has been locked.

If you have a related question, please click the "Ask a related question" button in the top right corner. The newly created question will be automatically linked to this question.

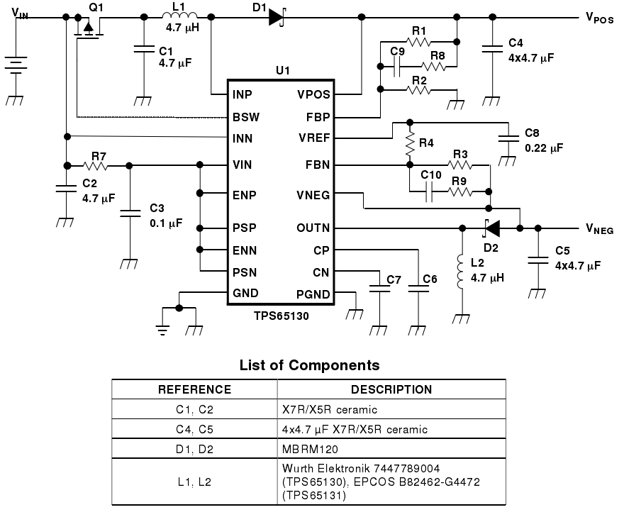
【紧急!附图:TPS65131 正负电压模块 出现异响 如何解决?】



  我所用该芯片的该电路,输出正负15V电压,在调试过程中,

出现异响,嗞嗞嗞的声音。

1、检查地,将AGND和GND之间接了磁珠,电压输出还是对的,不过不太稳定。

2、查了资料可能是LC部分,电容用的是贴片陶瓷电容,电感就用其指定的。

   datasheet里面的电容就是陶瓷电容,再考虑是否需要换成钽电容,或者更换电感(封装有点小,目前可更换的不多)。

请教大家,大家还有什么好的办法?另外这个异响是否持续一段时间就会烧坏器件?

感激啊!