This thread has been locked.

If you have a related question, please click the "Ask a related question" button in the top right corner. The newly created question will be automatically linked to this question.

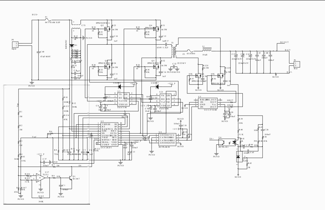
基于UCC28251设计的全桥电路,调试遇到问题



按照此图来设计的全桥电路,但是在调试过程中遇到很多问题,请各位大神帮忙看下,是否原理图设计的有问题,若有,请帮忙指示下,谢谢!

原理图:

Schematic_Prints.pdf