Part Number: LM2611
Hi 专家
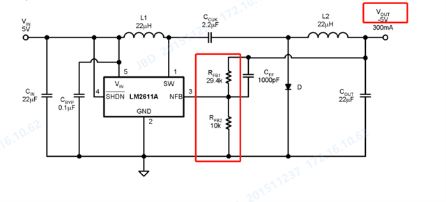
我在LM2611的datasheet里面没有找到有关输出电压的计算公式,根据一般DCDC的规律,我认为Vout=(1+Rf1/Rf2)*Vfb
但是datasheet里面-5V输出的Rf1=29.4K ,Rf2=10k. 按照上面公式算Vout=4.85V. 请问这个输出计算公司不对嘛?

This thread has been locked.
If you have a related question, please click the "Ask a related question" button in the top right corner. The newly created question will be automatically linked to this question.