This thread has been locked.

If you have a related question, please click the "Ask a related question" button in the top right corner. The newly created question will be automatically linked to this question.

TLV61220输出电压被拉低

Other Parts Discussed in Thread: TLV61220, TPS62203

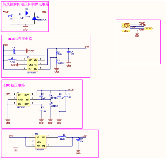
如上是我的电源部分电路,当调试电路的时候,焊接完当前电路时都是正常的,TLV61220能正常升压5.5V,LDO输出也能稳定5V,TPS62203也能输出3.3V,后级电路没有焊接。但是当焊接完后级电路时,TLV61220输出就变成4V,LDO输出也变成的4V。后级电路主要焊接了两个芯片就出了问题。

后级主要焊接了  驱动电路部分和422串口部分,就出现了这个问题,焊接了几块电路了,都是这个问题,但是上一版的电路没遇到这个情况,原理是验证过的。

之后我又把5.1V~5.5V直流电源直接接在LDO芯片前面,发现后级电路能够稳定5V输出,电流0.031A,但是经过TLV61220就不行。不焊后级电路就没有问题,小白,求大神解答问题~~~~~