This thread has been locked.

If you have a related question, please click the "Ask a related question" button in the top right corner. The newly created question will be automatically linked to this question.

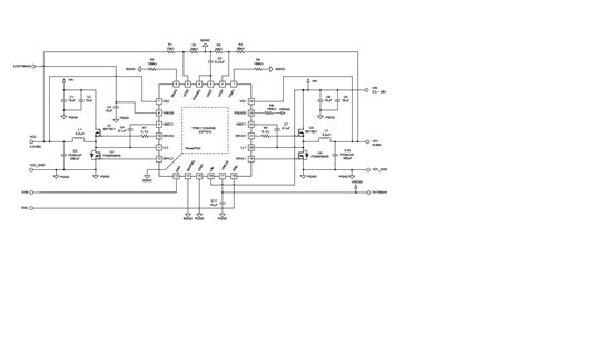
question about TPS51123A



 The system current can't get higher than 3A, both the 3.3V and the 5V chanel. My high side MOSFET is IRF7821, low side MOSFET is FDS6690AS and the inductance is 4.7uH.