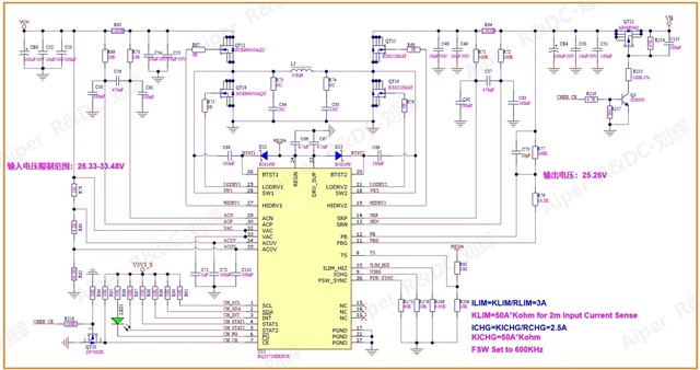
Hi ti Team,
客户反馈的充电一段时间后停充报异常的情况,经过排查是由于输出电流采样波动较大导致,目前有对如下电路改动,请帮忙系统性检查一下是否OK,并给出建议,谢谢。
如下图,R71和R7由 10Ω 改为 100Ω 之后正常。 请问这个两个电阻改大后有无其他问题?另外,目前只用到了降压充电功能,电路能否优化简化?
使用场景:适配器输入电压29.4V,充电截止电压25.2V,充电电流2.5A。
现需要帮忙审核一下原理图设计是否有问题。
This thread has been locked.
If you have a related question, please click the "Ask a related question" button in the top right corner. The newly created question will be automatically linked to this question.
Hi ti Team,
客户反馈的充电一段时间后停充报异常的情况,经过排查是由于输出电流采样波动较大导致,目前有对如下电路改动,请帮忙系统性检查一下是否OK,并给出建议,谢谢。
如下图,R71和R7由 10Ω 改为 100Ω 之后正常。 请问这个两个电阻改大后有无其他问题?另外,目前只用到了降压充电功能,电路能否优化简化?
使用场景:适配器输入电压29.4V,充电截止电压25.2V,充电电流2.5A。
现需要帮忙审核一下原理图设计是否有问题。
感谢您对TI产品的关注!为更加有效地解决您的问题,我们建议您将问题发布在E2E英文技术论坛上( https://e2e.ti.com/p/addpost ).