
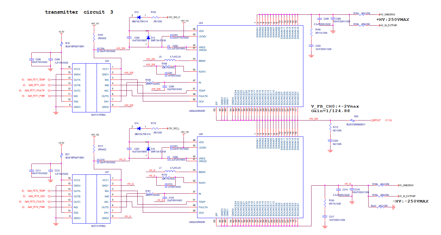
使用两片LMG3425R050完成图示的电路,驱动信号为1MHz,占空比50%的方波。当电路工作时,图中上方的LMG3425R050芯片(漏极施加正电压)发热显著高于下方LMG3425R050芯片(源极施加负电压),上方芯片TEMP脚测量温度上升速度显著高于下方芯片。
请问应该如何解决?谢谢
This thread has been locked.
If you have a related question, please click the "Ask a related question" button in the top right corner. The newly created question will be automatically linked to this question.

使用两片LMG3425R050完成图示的电路,驱动信号为1MHz,占空比50%的方波。当电路工作时,图中上方的LMG3425R050芯片(漏极施加正电压)发热显著高于下方LMG3425R050芯片(源极施加负电压),上方芯片TEMP脚测量温度上升速度显著高于下方芯片。
请问应该如何解决?谢谢
您好
感谢您对TI产品的关注!为更加有效地解决您的问题,我们建议您将问题发布在E2E英文技术论坛上(TI E2E support forums),将由资深的英文论坛工程师为您提供帮助