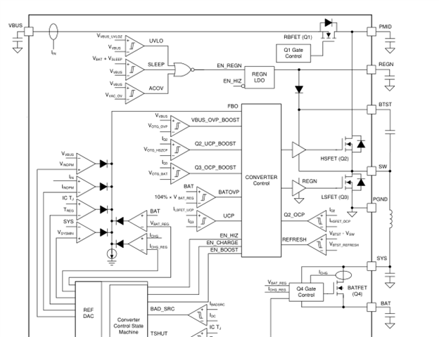
Part Number: BQ25601
有概率会出现自举电路部分损坏现象,测量REGN到BTST之间电阻只有50Ω左右(很小)。具体表现就是不接负载,没有功耗的时候芯片还是会发热,导致待机时电池电量耗尽。

下面这张图是设备充电,同时运行时正常的BQ25601的BTST引脚的状态

下面这两张图是已顺怀的BQ25601的BTST引脚的状态


This thread has been locked.
If you have a related question, please click the "Ask a related question" button in the top right corner. The newly created question will be automatically linked to this question.